力士樂A10VSO柱塞泵28排量柱塞泵介紹。
A10VSO28DR/31R-PPA12N00產品實物如下圖

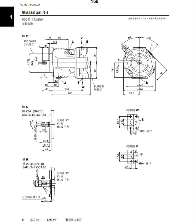
A10VSO28DR安裝尺寸如下圖:


力士樂A10VSO系列28DR柱塞泵產品說明:A10VSO柱塞泵為恒壓變量柱塞泵,A10VSO28DR泵為其中的恒壓控制的柱塞,本產品
通過DR閥,和泵內部結構實現恒壓和流量調整的控制。一般用于機床、冶金、鍛壓、礦山及起重機械的液壓傳動系統中,特別廣泛地
應用于大功率的液壓傳動系統中。為了提高效率,在應軸向柱塞泵一般都由缸體、配油盤、柱塞和斜盤等主要零件組成。缸體內有多
個柱塞,柱塞是軸向排列的,即柱塞的中心線平行于傳動軸的軸線,因此稱它為恒壓軸向變量柱塞泵。
德國力士樂柱塞泵A10VSO 28排量:
A10VSO28DR/31R-PPA12N00
AA10VSO28DR/31R-PPA12N00
A10VSO28DR/31R-PSC12K01
A10VSO28DFR1/31R-PPA12N00
A10VSO28DFR/31R-PPA12N00
A10VSO28DRG/31R-PPA12N00
E-A10VSO28DR/31R-PPA12N00
HA10VSO28DR/31R-PPA12N00
L10VSO28DR/31R-PPA12N00
A10VSO28DR/31R-VSA12N00
A10VSO28DR/31R-PSC12N00
A10VSO28DR/31R-PSC62K01
A10VSO柱塞泵有各種控制方式可供選擇,提供了大的工作靈活性??刂品绞桨ǎ篋R壓力控制;DRG 遠程壓力控制;DFR1壓力、
流量控制;該產品的直軸式變量泵,有9種規格,靠壓力和/來控制變量。
a10vso28dr使用說明書如下:



本產品應用注意:在任何場合都應保持液壓油的清潔度。需定期更換液壓油(工作1000~3000小時或六個月),避免因油污染而導致的
設備損毀。
A10VSO28DR調壓是通過泵上的控制閥進行調整,該閥相當于一個安全溢流閥,控制泵的最大輸出壓力。通過內六角扳手,擰松壓力控制閥至
所需要的工作壓力后,再將控制閥的螺帽鎖緊即可完成調壓工作。
A10VSO28DR/31R-PPA12N00主要技術參數:排量28ml/r,額定壓力28Mpa,峰值壓力35Mpa,轉速500-2500/min,DR恒壓控制。